top
0
關於拿順
最新消息
品牌介紹
Piezosystem Jena
Nsk
Jensen Global
mechonics
產品介紹
Piezosystem Jena
Nsk
Jensen Global
mechonics
聯絡我們
0
詢價單
切換語言
中文
简体中文
English
關於拿順
最新消息
品牌介紹
Piezosystem Jena
Nsk
Jensen Global
mechonics
產品介紹
Piezosystem Jena
Nsk
Jensen Global
mechonics
聯絡我們
中文
切換語言
中文
简体中文
English
自動化設備相關精密螺桿滑軌等產品系列 - 高精密滾珠螺桿
軸承
深溝球軸承
斜角軸承
調心球軸承
圓柱滾子軸承
圓錐滾子軸承
調心滾子軸承
推力軸承
滾針軸承
斜角止推軸承
連座軸承
軸承箱
DD馬達
PS系列
薄型PN、PN2系列
PN3&PN4系列
煞車功能之PN系列
超大扭矩伺服馬達
SR系列
定位承載滑台
MCM系列
MCH系列
線性滑軌
LS系列
LH系列
LE系列
LU系列
LW系列
SH系列
SS系列
PE系列
PU系列
滾珠螺桿
KA系列
MA系列
MS系列
SA系列
SS系列
BSS系列
V系列
R系列
FA系列
FS系列
產品介紹
Nsk
滾珠螺桿
MA系列
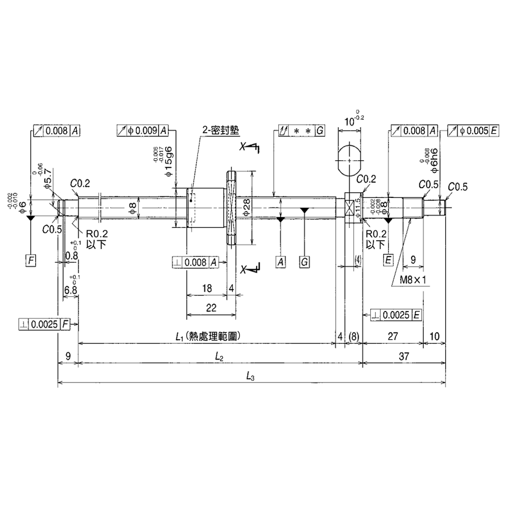
W0801MA-7PY-C3Z1.5
L
o
a
d
i
n
g
.
.
.
MA系列
/
滾珠螺桿
產品型號
W0801MA-7PY-C3Z1.5
數量
-
+
加入詢價單
相關產品